
Kategoria Telekomunikacja
Odkryj fascynujący świat telekomunikacji
Telekomunikacja to nie tylko technologia, to sposób, w jaki łączymy się z innymi i odkrywamy nowe możliwości. W tej kategorii znajdziesz artykuły dotyczące najnowszych trendów w branży, innowacyjnych rozwiązań oraz poradników dotyczących urządzeń mobilnych i usług telekomunikacyjnych. Nasze teksty są pisane z pasją i zrozumieniem dla potrzeb użytkowników, abyś mógł lepiej zrozumieć, jak korzystać z technologii na co dzień. Z nami dowiesz się, jak wybrać najlepsze urządzenie, jakie są najnowsze osiągnięcia w telekomunikacji oraz jakie zmiany czekają nas w przyszłości. Pozwól, że będziemy Twoim przewodnikiem po tym dynamicznym świecie, a każda lektura przybliży Cię do odkrywania nowych możliwości w komunikacji.


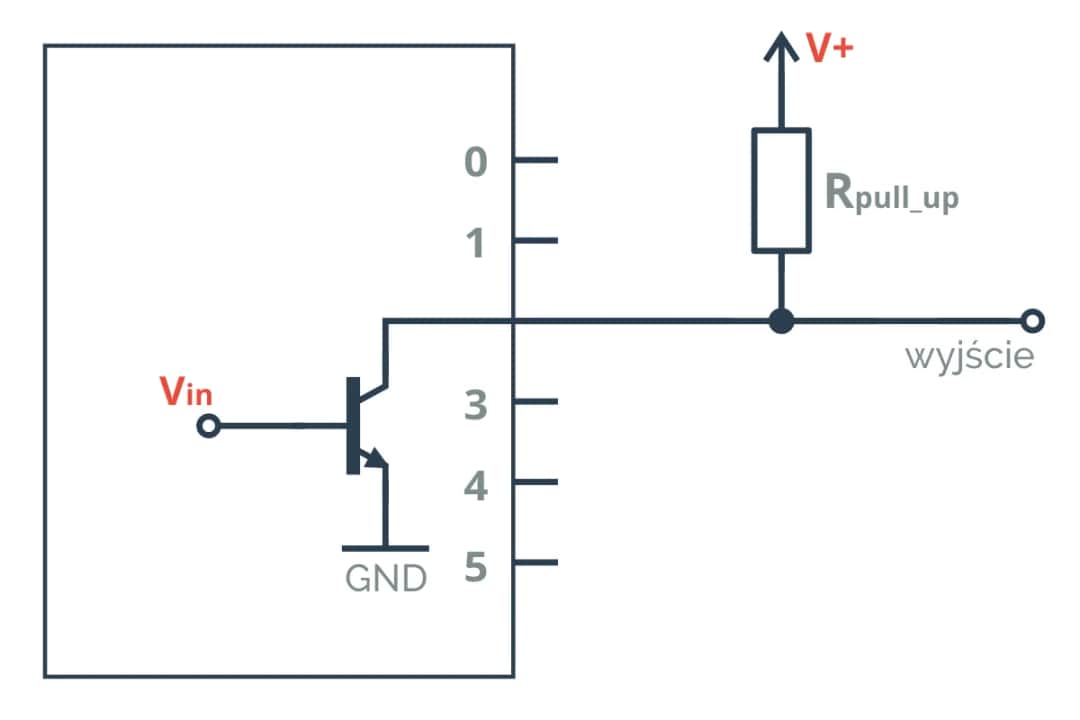
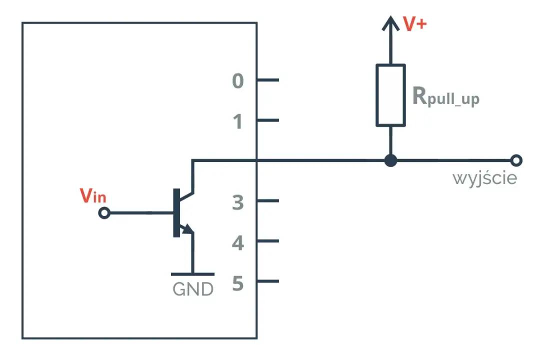
Rezystor podciągający: klucz do stabilnych sygnałów cyfrowych
Dowiedz się jak działa rezystor podciągający w układach cyfrowych. Poznaj zasady doboru wartości, zastosowania w mikrokontrolerach i układach TTL/CMOS oraz praktyczne przykłady.

Jak połączyć ESP8266-01 z BME280: Prosty monitoring środowiska
Dowiedz się jak zbudować stację pogodową na ESP8266-01 i BME280. Krok po kroku przeprowadzimy Cię przez proces łączenia, programowania i uruchomienia własnego systemu monitoringu temperatury i wilgotności.

Jak mierzyć napięcie z Arduino: Prosty przewodnik dla elektroników
Naucz się jak wykonać pomiar napięcia z Arduino krok po kroku. Poznaj zasady działania, schemat układu i gotowy kod. Zbuduj własny woltomierz już dziś!

Projekty Bascom: 5 Inspirujących Przykładów dla Elektroników
Poznaj 5 gotowych projektów Bascom dla elektroników - od prostych układów po zaawansowane systemy. Szczegółowe schematy, kody źródłowe i instrukcje krok po kroku. Zacznij tworzyć już dziś!

10 inspirujących projektów NodeMCU - od prostych do zaawansowanych
Szukasz ciekawych projektów z NodeMCU? Poznaj 10 praktycznych realizacji IoT - od prostych czujników temperatury po zaawansowane systemy inteligentnego domu. Szczegółowe instrukcje i schematy.

Internet w Albanii: Co musisz wiedzieć o dostępności i prędkości
Sprawdź dostępność i prędkość Albania internet w miastach i na prowincji. Poznaj koszty, operatorów i zasięg sieci 4G. Aktualne informacje o Wi-Fi w hotelach oraz problemy, na które warto się przygotować.

Kody Fakt Mobile: Otrzymaj ekskluzywne korzyści z naszymi kodami!
Odkryj aktualne Kody Fakt Mobile i zyskaj dostęp do ekskluzywnych bonusów! Znajdź najnowsze kody z gazety, aktywuj dodatkowe GB i oszczędzaj na abonamencie. Sprawdź dostępne promocje już teraz.

Mobilny internet do laptopa: Połącz się z internetem, gdziekolwiek jesteś!
Odkryj, jak wybrać najlepszy internet mobilny do laptopa i cieszyć się szybkim połączeniem w każdym miejscu. Poznaj różnice między 5G a LTE, sprawdź koszty i znajdź idealne rozwiązanie dla siebie.