Regulator PWM NE555 to wszechstronny układ scalony, który zrewolucjonizował elektronikę. Jest prosty w użyciu. Służy głównie do kontroli szerokości impulsów w układach elektronicznych. Pozwala na precyzyjną regulację mocy w różnych urządzeniach. Może pracować w dwóch podstawowych trybach: astabilnym i monostabilnym. To czyni go niezwykle elastycznym w zastosowaniu.
Układ ten jest szczególnie popularny wśród elektroników. Znajduje zastosowanie w sterowaniu silnikami DC. Sprawdza się w regulacji jasności oświetlenia LED. Jest też używany w zasilaczach impulsowych. Jego prosta konstrukcja i niezawodność sprawiają, że jest idealny zarówno dla początkujących, jak i zaawansowanych użytkowników. Najważniejsze informacje:- NE555 to podstawowy układ do generowania sygnału PWM
- Umożliwia precyzyjną kontrolę mocy w urządzeniach elektronicznych
- Pracuje w trybie astabilnym (ciągłe impulsy) lub monostabilnym (pojedynczy impuls)
- Wymaga minimal nej liczby elementów zewnętrznych do działania
- Znajduje zastosowanie w sterowaniu silnikami, oświetleniem LED i zasilaczach
- Jest dostępny i niedrogi, co czyni go popularnym wyborem w projektach elektronicznych
- Świetnie nadaje się do nauki podstaw elektroniki
Zastosowania regulatora PWM z układem NE555
Regulator PWM NE555 znajduje szerokie zastosowanie w elektronice amatorskiej i przemysłowej. Jest niezastąpiony w sterowaniu silnikami DC oraz systemach oświetleniowych LED. Jego wszechstronność i prostota sprawiają, że często wybierany jest jako podstawowy element projektów elektronicznych.
Układ doskonale sprawdza się w zasilaczach impulsowych i systemach automatyki. Timer NE555 PWM pozwala na precyzyjną kontrolę mocy w różnorodnych aplikacjach.
- Sterowanie prędkością obrotową silników DC (0-100%)
- Regulacja jasności oświetlenia LED i lamp
- Kontrola temperatury w układach grzewczych
- Budowa przetwornic DC-DC
- Generowanie sygnałów o zmiennej częstotliwości
Zastosowanie regulatora PWM NE555 znacząco zwiększa efektywność energetyczną urządzeń. Jest to rozwiązanie ekonomiczne i niezawodne.
Potrzebne elementy do budowy regulatora PWM
| Nazwa elementu | Wartość/Typ | Ilość |
| Układ scalony NE555 | DIP-8 | 1 szt. |
| Potencjometr | 10kΩ | 1 szt. |
| Kondensatory | 10nF, 100nF | 2 szt. |
| Rezystory | 1kΩ, 10kΩ | 2 szt. |
| Płytka uniwersalna | 5x7cm | 1 szt. |
Dobór elementów do sterownika PWM NE555 jest kluczowy dla prawidłowego działania układu. Wartości kondensatorów wpływają na częstotliwość pracy, a rezystory i potencjometr określają zakres regulacji wypełnienia. Najważniejsze jest użycie komponentów o odpowiedniej jakości i tolerancji.
Czytaj więcej: Jak sprawdzić ile zostało doładowań w Plusie: Zapanuj nad kontem!
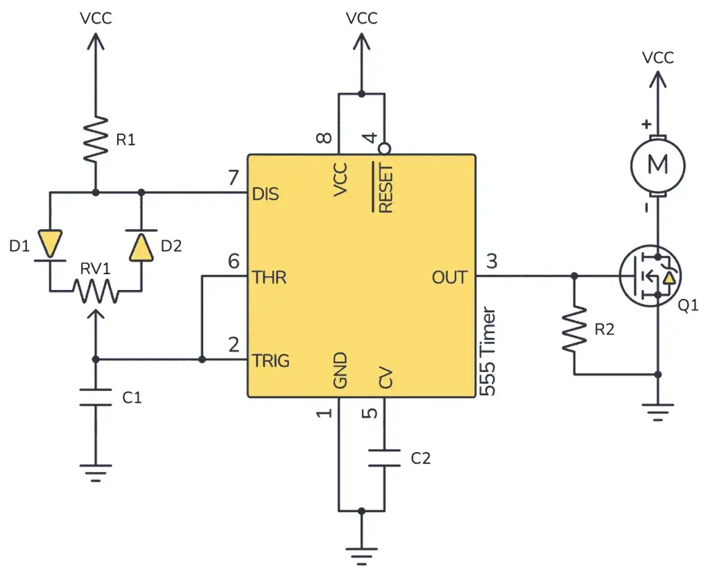
Schemat elektryczny regulatora PWM NE555
Regulator PWM NE555 schemat jest prosty w budowie i składa się z kilku podstawowych elementów. Układ pracuje w konfiguracji astabilnej, gdzie pin 3 generuje sygnał wyjściowy PWM. Połączenia między komponentami muszą być wykonane zgodnie z dokumentacją techniczną.
Potencjometr jest podłączony między pinami 6 i 7, co umożliwia regulację wypełnienia. Kondensator czasowy jest podłączony do pinu 2 i masy. Pin 4 (Reset) jest podłączony do zasilania, aby umożliwić ciągłą pracę układu.
Opis działania poszczególnych pinów NE555
Generator PWM NE555 posiada 8 pinów o ściśle określonych funkcjach. Każdy z nich pełni kluczową rolę w działaniu układu.
Pin 1 (GND): Służy do podłączenia masy układu. Zapewnia punkt odniesienia dla wszystkich napięć w układzie.
Pin 2 (Trigger): Odpowiada za wyzwalanie układu. Reaguje na spadek napięcia poniżej 1/3 napięcia zasilania.
Pin 3 (Output): Jest wyjściem układu. Generuje sygnał PWM o regulowanym wypełnieniu.
Pin 4 (Reset): Umożliwia resetowanie układu. Musi być podłączony do zasilania dla normalnej pracy.
Pin 5 (Control): Pozwala na zewnętrzną kontrolę napięcia. Zwykle podłączony przez kondensator do masy.
Pin 6 (Threshold): Monitoruje napięcie na kondensatorze czasowym. Określa moment zakończenia impulsu wyjściowego.
Pin 7 (Discharge): Służy do rozładowania kondensatora czasowego. Współpracuje z zewnętrznym układem RC.
Pin 8 (VCC): Jest wejściem zasilania układu. Wymaga stabilnego napięcia od 4.5V do 16V.
Montaż regulatora PWM krok po kroku
- Przygotowanie płytki uniwersalnej i sprawdzenie wszystkich elementów
- Montaż podstawki pod układ NE555
- Przylutowanie rezystorów zgodnie ze schematem
- Instalacja kondensatorów w odpowiednich miejscach
- Montaż potencjometru regulacyjnego
- Wykonanie połączeń między elementami
- Sprawdzenie poprawności wszystkich połączeń
- Włożenie układu NE555 do podstawki
Przed rozpoczęciem montażu warto dokładnie sprawdzić wszystkie elementy. Szczególną uwagę należy zwrócić na polaryzację kondensatorów elektrolitycznych.
Podczas lutowania należy zachować odpowiednią temperaturę. Zbyt wysoka może uszkodzić elementy elektroniczne.
Przygotowanie elementów i narzędzi
Do montażu regulatora PWM NE555 potrzebna jest lutownica o mocy 30-40W. Przyda się także podstawowy zestaw narzędzi elektronicznych, w tym szczypce i pinceta.
Wszystkie elementy powinny być rozłożone na czystej powierzchni roboczej. Dobrze jest przygotować także stację lutowniczą z regulacją temperatury.
Lutowanie i podłączanie komponentów
Lutowanie rozpoczynamy od elementów najniższych - rezystorów i podstawki pod układ scalony. Końcówki elementów przed lutowaniem należy odpowiednio uformować. Każde połączenie lutownicze powinno być błyszczące i gładkie.
Sterownik PWM NE555 wymaga precyzyjnego lutowania pinów układu scalonego. Należy unikać tworzenia zwarć między sąsiednimi ścieżkami. Podczas montażu potencjometru zwracamy uwagę na jego stabilne zamocowanie.
Po przylutowaniu każdego elementu warto sprawdzić jakość połączeń. Zimne luty mogą powodować nieprawidłowe działanie układu. Ważne jest także zachowanie odpowiednich odległości między elementami.
Regulacja i testowanie układu
Regulator obrotów NE555 schemat wymaga dokładnego przetestowania przed użyciem. Pierwsze uruchomienie wykonujemy przy minimalnym napięciu zasilania. Sprawdzamy obecność sygnału wyjściowego na pinie 3.
Kontrolujemy temperaturę układu podczas pracy. Przy prawidłowym montażu, układ nie powinien się nadmiernie nagrzewać. Mierzymy parametry sygnału wyjściowego oscyloskopem lub miernikiem.
| Parametr | Wartość minimalna | Wartość maksymalna |
| Częstotliwość | 50 Hz | 10 kHz |
| Wypełnienie | 5% | 95% |
| Napięcie wyjściowe | 0V | 12V |
Jak ustawić częstotliwość?
Częstotliwość układu NE555 PWM Arduino ustawiamy poprzez dobór wartości kondensatora czasowego. Większa pojemność oznacza niższą częstotliwość pracy.
Dla aplikacji z silnikami DC zalecana jest częstotliwość około 1kHz. W przypadku sterowania LED można stosować wyższe częstotliwości.
Precyzyjną regulację osiągamy przez dobór odpowiednich wartości elementów RC. Warto eksperymentować z różnymi wartościami, obserwując efekty.
Regulacja wypełnienia sygnału PWM
Wypełnienie w regulatorze PWM NE555 regulujemy za pomocą potencjometru. Zmiana położenia suwaka wpływa na czas trwania stanu wysokiego i niskiego sygnału. Zakres regulacji typowo wynosi od 5% do 95%.
Prawidłowo działający układ pozwala na płynną zmianę wypełnienia. Przy sterowaniu silnikiem DC zmiana wypełnienia przekłada się bezpośrednio na jego prędkość obrotową. Warto pamiętać, że przy bardzo niskim wypełnieniu silnik może nie ruszyć.
Rozwiązywanie typowych problemów
Najczęstszym problemem w generatorze PWM NE555 pdf są zimne luty. Powodują one niestabilną pracę układu lub całkowity brak działania. Kolejnym częstym problemem jest niewłaściwe podłączenie zasilania.
Brak sygnału wyjściowego może być spowodowany uszkodzeniem układu scalonego. Warto sprawdzić także poprawność podłączenia pinu Reset.
Nieprawidłowe wartości elementów RC mogą powodować problemy z zakresem regulacji. W takim przypadku należy zweryfikować wartości rezystorów i kondensatorów.
Problemy z częstotliwością drgań
Niestabilna częstotliwość w timerze NE555 PWM schemat może wynikać z zakłóceń. Należy zastosować kondensator odsprzęgający przy zasilaniu. Zbyt duże wahania częstotliwości często są spowodowane słabej jakości kondensatorem czasowym.
Zakłócenia mogą pochodzić także z zewnętrznych źródeł. Warto ekranować układ lub odsunąć go od potencjalnych źródeł zakłóceń. Problem może rozwiązać dodanie kondensatora filtrującego na wejściu zasilania.
Nieprawidłowe wypełnienie sygnału
Gdy regulator PWM NE555 nie osiąga pełnego zakresu regulacji wypełnienia, sprawdzamy potencjometr. Może być uszkodzony lub mieć niewłaściwą wartość.
Problemy z wypełnieniem mogą też wynikać z nieprawidłowego napięcia zasilania. Układ wymaga stabilnego źródła zasilania o odpowiednim napięciu.
Modyfikacje i ulepszenia układu
Podstawowy regulator PWM NE555 schemat można rozbudować o dodatkowe funkcje. Popularnym usprawnieniem jest dodanie wyświetlacza LED pokazującego aktualną wartość wypełnienia.
Można także dodać zabezpieczenie przeciwzwarciowe i przepięciowe. Chroni to układ przed uszkodzeniem przy nieprawidłowym użytkowaniu.
Ciekawą modyfikacją jest dodanie mikrosterownika Arduino. Pozwala to na programową kontrolę wypełnienia i implementację dodatkowych funkcji.
Co warto wiedzieć o regulatorze PWM NE555?
Regulator PWM NE555 to wszechstronne rozwiązanie dla wielu projektów elektronicznych. Jego montaż wymaga podstawowej wiedzy z elektroniki i kilkunastu niedrogich elementów. Jest idealny do sterowania silnikami DC, oświetleniem LED czy zasilaczami impulsowymi.
Kluczem do sukcesu jest precyzyjny montaż i odpowiedni dobór elementów. Szczególną uwagę należy zwrócić na jakość lutowania i wartości elementów RC, które determinują częstotliwość i zakres regulacji. Większość problemów można rozwiązać przez sprawdzenie połączeń i weryfikację wartości elementów.
Warto pamiętać, że timer NE555 PWM można łatwo modyfikować i rozbudowywać. Od prostego regulatora po zaawansowany sterownik z mikrokontrolerem - możliwości są niemal nieograniczone. To sprawia, że układ ten pozostaje popularny zarówno wśród początkujących elektroników, jak i doświadczonych konstruktorów.




