Wyświetlacz 7-segmentowy to proste urządzenie elektroniczne do wyświetlania cyfr i niektórych liter. Składa się z siedmiu segmentów, które można podświetlać na różne sposoby. Najczęściej wykorzystuje diody LED. Wyświetlacze te są powszechne w zegarach cyfrowych, kalkulatorach i sprzęcie AGD. Ich obsługa jest prosta i często wykorzystuje się do tego mikrokontrolery jak Arduino.
Najważniejsze informacje:- Składa się z 7 segmentów oznaczonych literami A-G
- Często zawiera dodatkowy segment do wyświetlania kropki dziesiętnej
- Może być oparty na diodach LED, LCD lub technologii mechanicznej
- Znajduje zastosowanie w wielu urządzeniach codziennego użytku
- Programowanie wyświetlacza jest stosunkowo proste
- Charakteryzuje się wysokim kontrastem wizualnym
Czym jest wyświetlacz 7-segmentowy?
Wyświetlacz 7-segmentowy to elektroniczne urządzenie służące do prezentacji cyfr i niektórych liter. Składa się z siedmiu podświetlanych segmentów, które można aktywować w różnych kombinacjach.
Główne cechy wyświetlacza 7-segmentowego to prostota konstrukcji, czytelność i wszechstronność. Dzięki nim znajduje szerokie zastosowanie w elektronice użytkowej. Co więcej, jest łatwy w sterowaniu i programowaniu.
Budowa wyświetlacza 7-segmentowego
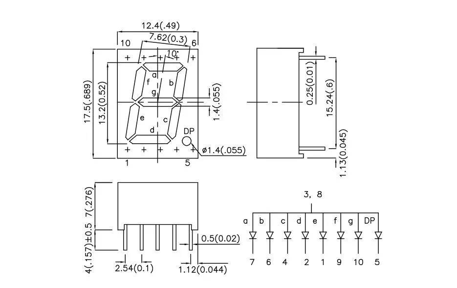
Segmenty A-G
Wyświetlacz 7-segmentowy zawiera siedem elementów ułożonych w kształcie cyfry 8. Każdy segment oznaczony jest literą od A do G.
- A - górny poziomy segment
- B - prawy górny pionowy segment
- C - prawy dolny pionowy segment
- D - dolny poziomy segment
- E - lewy dolny pionowy segment
- F - lewy górny pionowy segment
- G - środkowy poziomy segment
Segment DP (kropka dziesiętna)
Wiele wyświetlaczy 7-segmentowych posiada dodatkowy segment DP (Decimal Point). Służy on do wyświetlania kropki dziesiętnej, co umożliwia prezentację liczb zmiennoprzecinkowych.
Czytaj więcej: Jak zbudować precyzyjny system dozowania z Arduino i pompą perystaltyczną
Jak działa wyświetlacz 7-segmentowy?
Wyświetlacz 7-segmentowy działa na zasadzie selektywnego podświetlania segmentów. Każda cyfra lub znak tworzona jest przez aktywację odpowiedniej kombinacji segmentów. Na przykład, cyfra 8 wymaga podświetlenia wszystkich segmentów, a cyfra 1 - tylko segmentów B i C.
Aktywacja segmentów odbywa się poprzez doprowadzenie do nich napięcia. W zależności od typu wyświetlacza, może to być napięcie dodatnie (anoda wspólna) lub ujemne (katoda wspólna).
Technologie wyświetlaczy 7-segmentowych
Wyświetlacze LED wykorzystują diody elektroluminescencyjne do podświetlania segmentów. Są jasne, energooszczędne i mają długą żywotność. Doskonale sprawdzają się w warunkach słabego oświetlenia.
Wyświetlacze LCD bazują na technologii ciekłokrystalicznej. Zużywają mniej energii niż LED, ale mają gorszy kontrast. Są często stosowane w urządzeniach zasilanych bateryjnie.
| Cecha | LED | LCD |
| Jasność | Wysoka | Średnia |
| Zużycie energii | Średnie | Niskie |
| Czytelność w słońcu | Dobra | Słaba |
Sterowanie wyświetlaczem 7-segmentowym
Sterowanie wyświetlaczem 7-segmentowym odbywa się poprzez kontrolowanie napięcia na poszczególnych segmentach. Można to robić ręcznie, ale najczęściej wykorzystuje się układy scalone lub mikrokontrolery. Popularne są sterowniki BCD-to-7-segment, które upraszczają proces wyświetlania cyfr.
Układy mikroprocesorowe, takie jak Arduino, ułatwiają programowanie wyświetlaczy 7-segmentowych. Umożliwiają szybkie tworzenie złożonych aplikacji i animacji na wyświetlaczach.
Przykładowy kod do programowania Arduino
Oto prosty kod do sterowania wyświetlaczem 7-segmentowym za pomocą Arduino:
```cpp int segmenty[] = {2,3,4,5,6,7,8}; // Piny dla segmentów A-G void setup() { for(int i = 0; i < 7; i++) { pinMode(segmenty[i], OUTPUT); } } void loop() { // Wyświetl cyfrę 0 digitalWrite(segmenty[0], HIGH); // A digitalWrite(segmenty[1], HIGH); // B digitalWrite(segmenty[2], HIGH); // C digitalWrite(segmenty[3], HIGH); // D digitalWrite(segmenty[4], HIGH); // E digitalWrite(segmenty[5], HIGH); // F digitalWrite(segmenty[6], LOW); // G } ``` Ten kod inicjalizuje piny Arduino dla każdego segmentu i wyświetla cyfrę 0. Kluczowe elementy to tablica `segmenty` definiująca piny oraz funkcja `digitalWrite()` do sterowania stanem segmentów.Zastosowania wyświetlaczy 7-segmentowych
Wyświetlacze 7-segmentowe są wszechstronne i znajdują zastosowanie w wielu dziedzinach. Oto kilka popularnych przykładów:
- Zegary cyfrowe - wyświetlanie godziny i minuty
- Kalkulatory - prezentacja wyników obliczeń
- Sprzęt AGD - wskazywanie temperatury, czasu pracy
- Przyrządy pomiarowe - wyświetlanie wartości pomiarów
- Panele kontrolne maszyn - prezentacja parametrów pracy
- Wyświetlacze informacyjne - numery kolejkowe, informacje o kursach
- Elektronika samochodowa - wskaźniki prędkości, obrotomierze
Zalety wyświetlaczy 7-segmentowych
Wyświetlacze 7-segmentowe są proste w budowie, co przekłada się na niskie koszty produkcji. Charakteryzują się wysoką czytelnością, nawet z dużej odległości. Są energooszczędne, szczególnie w wersji LCD. Łatwość sterowania sprawia, że są chętnie wykorzystywane w projektach amatorskich i profesjonalnych.
Ograniczenia wyświetlaczy 7-segmentowych
Głównym ograniczeniem wyświetlaczy 7-segmentowych jest ograniczona liczba znaków, które można wyświetlić. Niektóre litery są nieczytelne lub niemożliwe do przedstawienia. Wyświetlanie tekstu jest utrudnione i wymaga przewijania. W przypadku dużej ilości informacji, lepszym wyborem mogą być wyświetlacze matrycowe lub OLED.
Przyszłość wyświetlaczy 7-segmentowych
Mimo rozwoju technologii wyświetlaczy, wskaźniki siedmiosegmentowe wciąż znajdują zastosowanie w wielu dziedzinach. Obecnie trend skupia się na miniaturyzacji i zwiększaniu efektywności energetycznej.
Potencjalne nowe zastosowania to integracja z systemami IoT oraz wykorzystanie w designerskich zegarkach retro. Wyświetlacze 7-segmentowe mogą też znaleźć zastosowanie w edukacji, jako proste narzędzie do nauki programowania mikrokontrolerów.Wyświetlacz 7-segmentowy: prosty, wszechstronny i wciąż aktualny
Wyświetlacze 7-segmentowe to proste, ale niezwykle skuteczne urządzenia do prezentacji cyfr i podstawowych znaków. Ich budowa oparta na siedmiu segmentach pozwala na łatwe sterowanie i programowanie, co czyni je popularnymi zarówno wśród profesjonalistów, jak i amatorów elektroniki.
Mimo ograniczeń w wyświetlaniu pełnego zakresu znaków, wskaźniki siedmiosegmentowe wciąż znajdują szerokie zastosowanie w różnorodnych urządzeniach - od zegarów i kalkulatorów po sprzęt AGD i panele kontrolne maszyn. Ich główne atuty to czytelność, energooszczędność i niezawodność, co sprawia, że pozostają ważnym elementem w świecie nowoczesnej elektroniki.
Choć pojawiają się nowsze technologie wyświetlaczy, wyświetlacze 7-segmentowe ewoluują, stając się bardziej efektywne i miniaturowe. Ich przyszłość wydaje się pewna, szczególnie w zastosowaniach wymagających prostoty i niezawodności, a także w projektach edukacyjnych i retro-designie.




