
Dowiedz się, jak bezpiecznie podłączyć inwerter hybrydowy krok po kroku. Praktyczne porady, schemat podłączenia i najczęstsze błędy, które pomożesz uniknąć podczas montażu falownika.

Dowiedz się, jak bezpiecznie podłączyć inwerter hybrydowy krok po kroku. Praktyczne porady, schemat podłączenia i najczęstsze błędy, które pomożesz uniknąć podczas montażu falownika.

W cyfrowym świecie, w którym dane osobowe, poufne informacje i pliki firmowe coraz częściej stają się celem cyberprzestępców, ochrona przed zagrożeniami jest priorytetem. Program antywirusowy to kluczowe narzędzie, które skutecznie wykrywa, neutralizuje i zapobiega atakom w sieci.

W dobie rosnącej cyfryzacji ochrona danych i sieci stała się priorytetem dla każdej firmy. Codzienne korzystanie z internetu, e-maili i aplikacji biznesowych naraża przedsiębiorstwa na różnorodne zagrożenia, takie jak cyberataki, wycieki danych czy infekcje złośliwym oprogramowaniem.

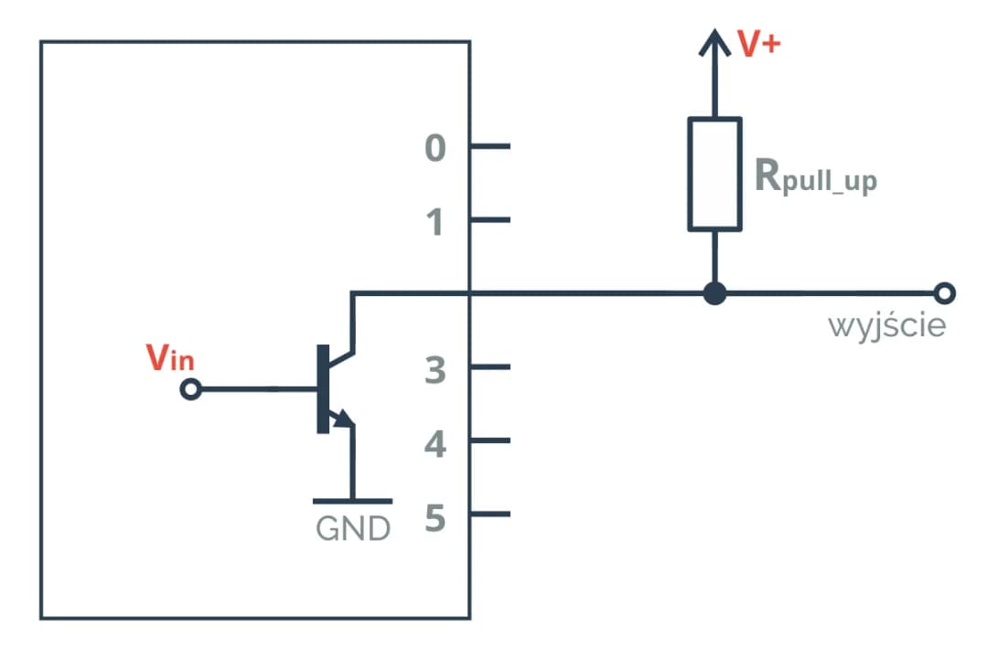
Dowiedz się jak działa rezystor podciągający w układach cyfrowych. Poznaj zasady doboru wartości, zastosowania w mikrokontrolerach i układach TTL/CMOS oraz praktyczne przykłady.

Poznaj rodzaje, zastosowania i właściwości przewodów wodnych. Od rur wodociągowych po węże ogrodowe - dowiedz się, jak wybrać odpowiedni przewód do Twoich potrzeb.

Poznaj akumulator Li-Po - nowoczesne ogniwo litowo-polimerowe o wysokiej wydajności. Dowiedz się o zaletach, zastosowaniach i bezpiecznym użytkowaniu tej innowacyjnej technologii.

Szukasz oszczędności na elektronice i robotyce? Sprawdź aktualne kody rabatowe Botland! Zniżki do 50%, promocje i okazje na szeroki asortyment. Zaoszczędź już teraz!

Poznaj podstawy schematów Arduino i naucz się prawidłowo łączyć komponenty elektroniczne. Dowiedz się, jak czytać schematy i unikać typowych błędów w projektach Arduino.

Dowiedz się, jak sprawdzić wirnik w różnych urządzeniach. Poznaj metody diagnostyki, inspekcji i testowania wirników w turbinach, silnikach i alternatorach. Skuteczna kontrola i weryfikacja stanu.

Poznaj świat diod LED 3V – od parametrów technicznych po praktyczne zastosowania. Dowiedz się, jak montować różne typy diod i wykorzystać je w projektach Arduino. Kompletny przewodnik dla elektroników.